1
/
of
3
RAFI
Rafi 1.20.125.005/0000 Contact Block
Rafi 1.20.125.005/0000 Contact Block
Regular price
$13.00 USD
Regular price
Sale price
$13.00 USD
Unit price
/
per
Shipping calculated at checkout.
Couldn't load pickup availability
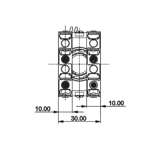
SPECIFICATION
RAFIX 22QR
Contact block with silver contact
With coupling
Without lamp socket
Spring-type terminal
1NO, 1NC

Share
